%20-%20White%20Outline.png)
T&E Pumps prides ourselves on providing a good quality product at the fairest possible price. We build a pump that considers the user, the industry and the environment. Born of the days of drip pans and spills, it has a sealing system that when properly maintained, will not leak. It can also be recycled.
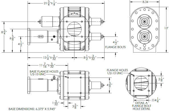
4000 180° Direct Drive
4000 (180°) Direct Drive Pump Features:
straight through T&E cast housing with 4” inlet & outlet
available with optional nitrided housing, Teflon seals
4” steel weld flanges
6” helical-cut, nitrided steel gears
requires a minimum 3” hose & fitting
Part Numbers:
110WD – 4” T&E 180° with direct drive hydraulic motor mount
Horsepower Requirements:
Hydraulic Motor 30-40hp, with SAE “B” mount109 Series recommended
Recommended Operating Procedures:
Maximum Temp: 212°F (regular seals)
Maximum RPM: 750 RPM at the pump
Maximum Pressure: 125 PSI
Note: Hydraulic Motor / System to be run within the manufacturers recommended specifications. Some Hydraulic motors may not allow for the maximum pump capabilities
Note: pump pressure is maximum safe operating pressure, not the maximum pressure the pump will produce

